


POLINI Zylinder Kit
Gewöhnlich versandbereit in 1 bis 3 Tagen

Produktbeschreibung
POLINI Ø 58 EVOLUTION 3 KIT FÜR VESPA 125 PRIMAVERA ET3
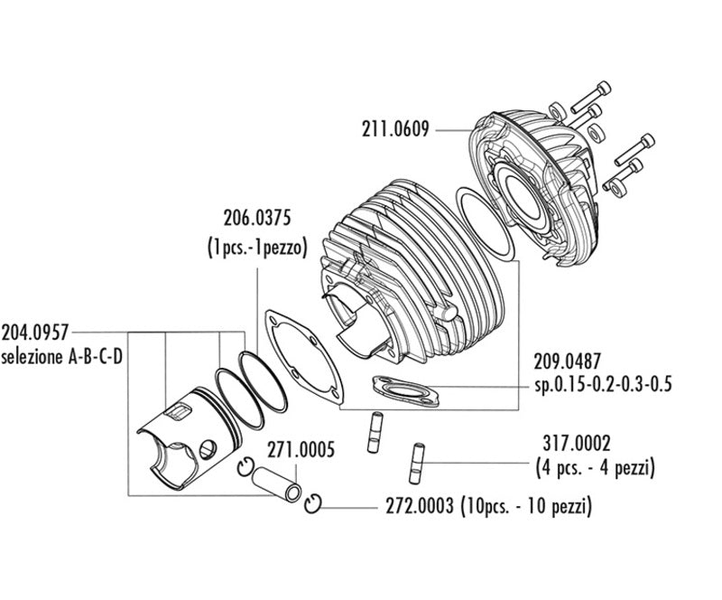
Der Polini Evolution 3 Kit für Vespa ist spezifisch für den Rennsport auf der Rennstrecke für die Vespa Classic 135cc Kategorie.
Der Schlüsselpunkt des neuen Zylinderkits ist die Möglichkeit, ihn auf das originale Vespa-Kurbelgehäuse zu montieren, ohne es aufzubohren.
Das Hauptmerkmal dieses neuen Zylinders ist der Anschluss, der so entwickelt wurde, dass er sowohl in der Originalposition als auch in der „gedrehten“ Position funktioniert, die häufig bei Rennen auf der Rennstrecke verwendet wird. Diese Position begünstigt auch die Entwicklung und Montage des Schalldämpfers.
>
Der Motor hat mehr Leistung bei jeder Drehzahl. Der Polini Evolution 3 Kit für Vespa mit Drehschieberansaugung kann in alle 125er Vespa mit einer Kurbelwelle eingebaut werden, die die gleichen Maße wie die originale hat. Es ist auch eine gewuchtete Polini-Kurbelwelle, Art.-Nr. 210.0033 mit aus dem Block gefräster Pleuelstange
erhältlich. aus einem Block gefräst, die den Originalhub von 51 mm beibehält.
TECHNISCHE EIGENSCHAFTEN des Polini Evolution 3 Kit für Vespa
Zylinder aus Aluminiumguss, mit einer Bohrung von 58 mm, um einen Hubraum von 135 cm³ zu erreichen. Die Laufbuchse mit Nickel-Silizium-Beschichtung verbessert das Gleiten des Kolbens, seine Widerstandsfähigkeit gegen Verschleiß und Abrieb. Die Transferkanäle sind für den Renneinsatz konzipiert. Er hat 6 Übergänge. Der Kolben ist im Schwerkraftverfahren aus einer Leichtmetalllegierung gegossen und hat zwei verchromte Gussringe S10. Der Kopf ist in einem Stück gegossen und einige Rippen wurden unter der Kopfebene angebracht, um die Wärmeableitung zu verbessern. Das Verdichtungsverhältnis wurde
wurde untersucht, um die beste Leistung zu erreichen.
Codice: 140.0234
100% hergestellt in Italien
Merkmale
| Merkmal | Wert |
|---|---|
| Material | Aluminium |
| Spécificité | Produkte, die ausschließlich für Rennen an speziell dafür vorgesehenen Orten gemäß den Bestimmungen der zuständigen Sportbehörden reserviert sind. Wir lehnen jede Haftung für unsachgemäße Verwendung ab. |
| Diameter Ø (mm) | 58 |
Kompatibilität
Produktsicherheit
POLINI Ø 58 EVOLUTION 3 KIT FÜR VESPA 125 PRIMAVERA ET3
Der Polini Evolution 3 Kit für Vespa ist spezifisch für den Rennsport auf der Rennstrecke für die Vespa Classic 135cc Kategorie.
Der Schlüsselpunkt des neuen Zylinderkits ist die Möglichkeit, ihn auf das originale Vespa-Kurbelgehäuse zu montieren, ohne es aufzubohren.
Das Hauptmerkmal dieses neuen Zylinders ist der Anschluss, der so entwickelt wurde, dass er sowohl in der Originalposition als auch in der „gedrehten“ Position funktioniert, die häufig bei Rennen auf der Rennstrecke verwendet wird. Diese Position begünstigt auch die Entwicklung und Montage des Schalldämpfers.
>
Der Motor hat mehr Leistung bei jeder Drehzahl. Der Polini Evolution 3 Kit für Vespa mit Drehschieberansaugung kann in alle 125er Vespa mit einer Kurbelwelle eingebaut werden, die die gleichen Maße wie die originale hat. Es ist auch eine gewuchtete Polini-Kurbelwelle, Art.-Nr. 210.0033 mit aus dem Block gefräster Pleuelstange
erhältlich. aus einem Block gefräst, die den Originalhub von 51 mm beibehält.
TECHNISCHE EIGENSCHAFTEN des Polini Evolution 3 Kit für Vespa
Zylinder aus Aluminiumguss, mit einer Bohrung von 58 mm, um einen Hubraum von 135 cm³ zu erreichen. Die Laufbuchse mit Nickel-Silizium-Beschichtung verbessert das Gleiten des Kolbens, seine Widerstandsfähigkeit gegen Verschleiß und Abrieb. Die Transferkanäle sind für den Renneinsatz konzipiert. Er hat 6 Übergänge. Der Kolben ist im Schwerkraftverfahren aus einer Leichtmetalllegierung gegossen und hat zwei verchromte Gussringe S10. Der Kopf ist in einem Stück gegossen und einige Rippen wurden unter der Kopfebene angebracht, um die Wärmeableitung zu verbessern. Das Verdichtungsverhältnis wurde
wurde untersucht, um die beste Leistung zu erreichen.
Codice: 140.0234
100% hergestellt in Italien
| Merkmal | Wert |
|---|---|
| Material | Aluminium |
| Spécificité | Produkte, die ausschließlich für Rennen an speziell dafür vorgesehenen Orten gemäß den Bestimmungen der zuständigen Sportbehörden reserviert sind. Wir lehnen jede Haftung für unsachgemäße Verwendung ab. |
| Diameter Ø (mm) | 58 |
